switches - CARLING Circuit Breakers - Circuit Break Type A
Circuit breakers with hydraulic-magnetic tripping offer highly precise, reliable and cost-effective solutions for maritime applications.
They are temperature-stable in the range -40°/+85°C and are not affected by fluctuations in ambient temperature, as is the case, for example, with the widely used circuit breakers with thermal (bimetal) tripping.
The precise switching mechanism of the CARLING circuit breakers ensures uninfluenced free tripping and reliable disconnection even at the smallest overcurrents.
They are temperature-stable in the range -40°/+85°C and are not affected by fluctuations in ambient temperature, as is the case, for example, with the widely used circuit breakers with thermal (bimetal) tripping.
The precise switching mechanism of the CARLING circuit breakers ensures uninfluenced free tripping and reliable disconnection even at the smallest overcurrents.
| Technical Data | |
| Nom Voltage | AC 125 / 250 V (50/60 Hz) DC 12-32 V Medium delay |
| Rated current | 2,5 to 50 A |
| Poles | single pole |
| Colour | Housing black, with white rocker switch |
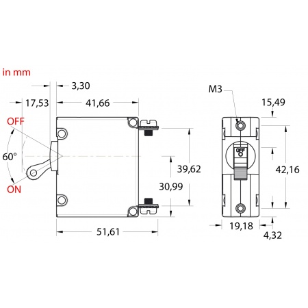
| Mounting | M3 threaded bolts |
| Electrical connections | UNF-threaded bolt (approx. 6 mm) |
| Sizes without connectors and switch | height: 50,8 mm width: 19,2 mm deapth: 41,6 mm |
| Approvals | UL1077, UL508, UL1500, UL489A and CSA TÜV certificated to EN 60934 |
Short URL: http://lindemann.kg/s/6/VLh
All article numbers marked in blue can be ordered.
All prices are recommended retail prices in Euro - currency incl. German VAT
All technical specifications are without obligation; errors excepted.
Deliveries exclusively via marine retailers.
